產品中心
聯系我們
聯 系 人:侯先生 銷售經理
聯系手機:18925816809
聯(lian) 系(xi) QQ:2850175983
聯 系 人:陳先生 銷售經理
聯系手機:13428700967
聯 系 QQ:2850175982
聯 系 人:李小姐 銷售跟單
聯系手機:18925816909
聯(lian) 系 QQ:2850175987
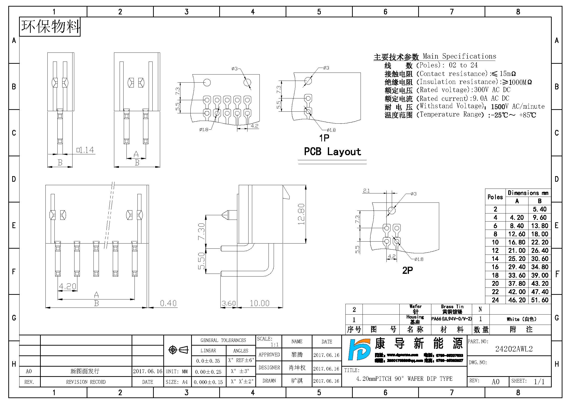
規格型號:4.20MM間距 90度 DIP WAFER
線數:02-24
接觸電阻:20mΩ Max
絕緣電阻:1000MΩ Min
額定電壓:300V AC DC
額定電流:9.0A AC DC
耐電壓:1500V AC/minute
溫度(du)范圍:-25℃~+85℃
Spec:4.20mm PITCH 90° WAFER DIP TYPE
Poles:02-24
Contact resistance:20mΩ Max
Insulation resistance:1000MΩ Min
Rated Voltage:300V AC DC
Rated Current:9.0A AC DC
Withstand Voltage:1500V AC/minute
Temperature Range:-25℃~+85℃