產品中心
聯系我們
聯 系 人:侯先生 銷售經理
聯系手機:18925816809
聯 系 QQ:2850175983
聯 系 人:陳先生 銷售經理
聯系手機:13428700967
聯 系 QQ:2850175982
聯 系 人:李小姐 銷售跟單
聯系手機:18925816909
聯(lian) 系 QQ:2850175987
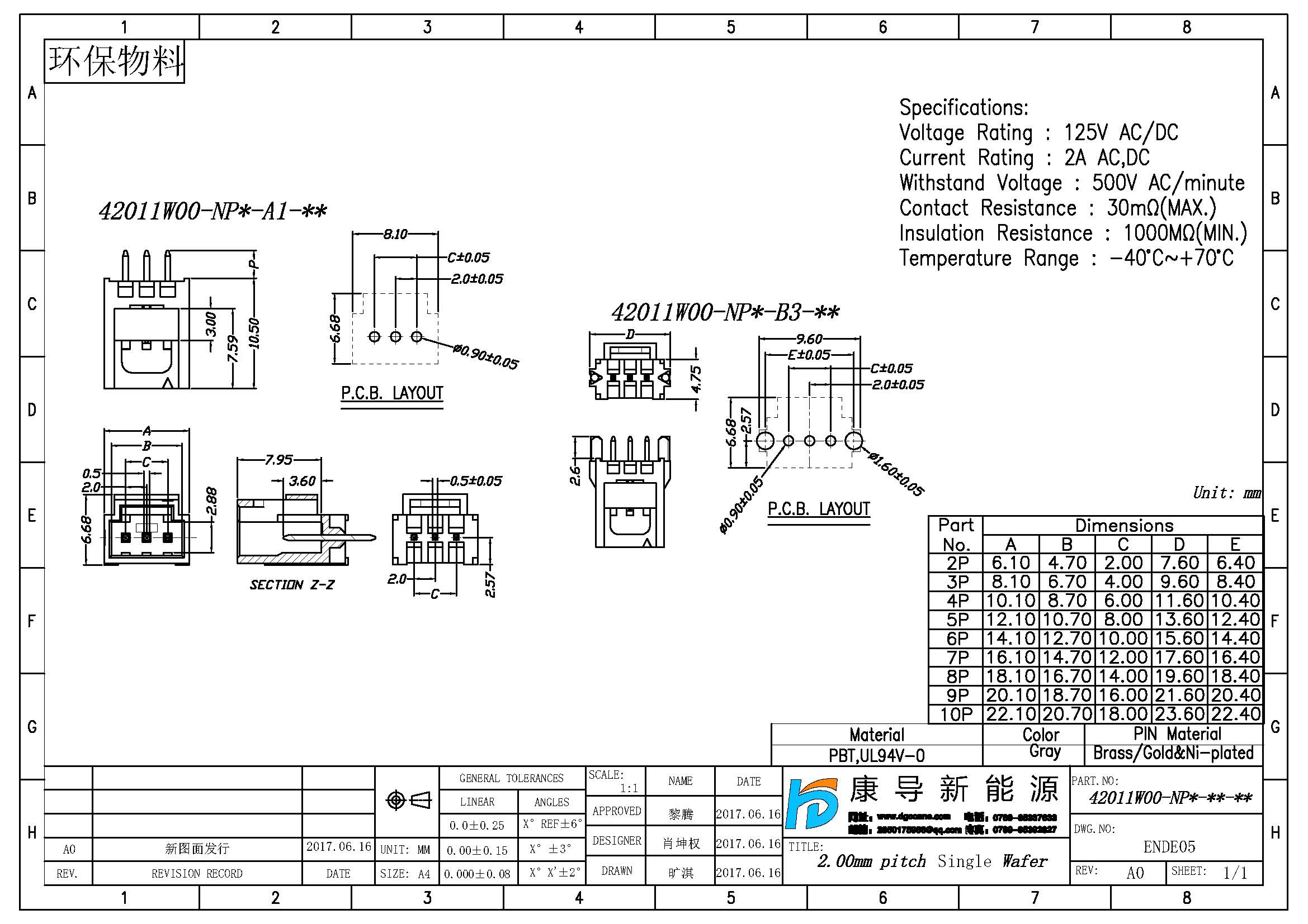
類 別:車載連接器
系 列(lie):42011系列(lie)
應(ying) 用:汽車電子
產品名稱:汽車針座
規(gui)格(ge)型(xing)號:PH:2.00MM H:10.50MM 1*NP 180度
產(chan)品間距(ju):2.00MM
產品行距:2.00MM
電 路 數:1*2P-1*10P
顏 色:黑色 本色
塑膠材料(liao):PA9T
塑膠高度:10.50MM
端子長(chang)度(du):6.25MM
金屬材料:黃銅/高導(dao)銅
電鍍(du)材(cai)料:鍍(du)錫/鍍(du)半金
運行溫度:-45°C to +105°C
接觸類型:焊接
裝板方向:垂直(zhi)
裝線大小:AWG24#-AWG30#
最大電流:2.0A
最大(da)耐(nai)溫:260度
最大耐壓:500V
額(e)定電壓:125V