產品中心
聯系我們
聯 系 人:侯先生 銷售經理
聯系手機:18925816809
聯(lian) 系 QQ:2850175983
聯 系 人:陳先生 銷售經理
聯系手機:13428700967
聯 系 QQ:2850175982
聯 系 人:李小姐 銷售跟單
聯系手機:18925816909
聯 系 QQ:2850175987
類 別:車載連接器
系 列:42202系列
應 用:汽車(che)電子
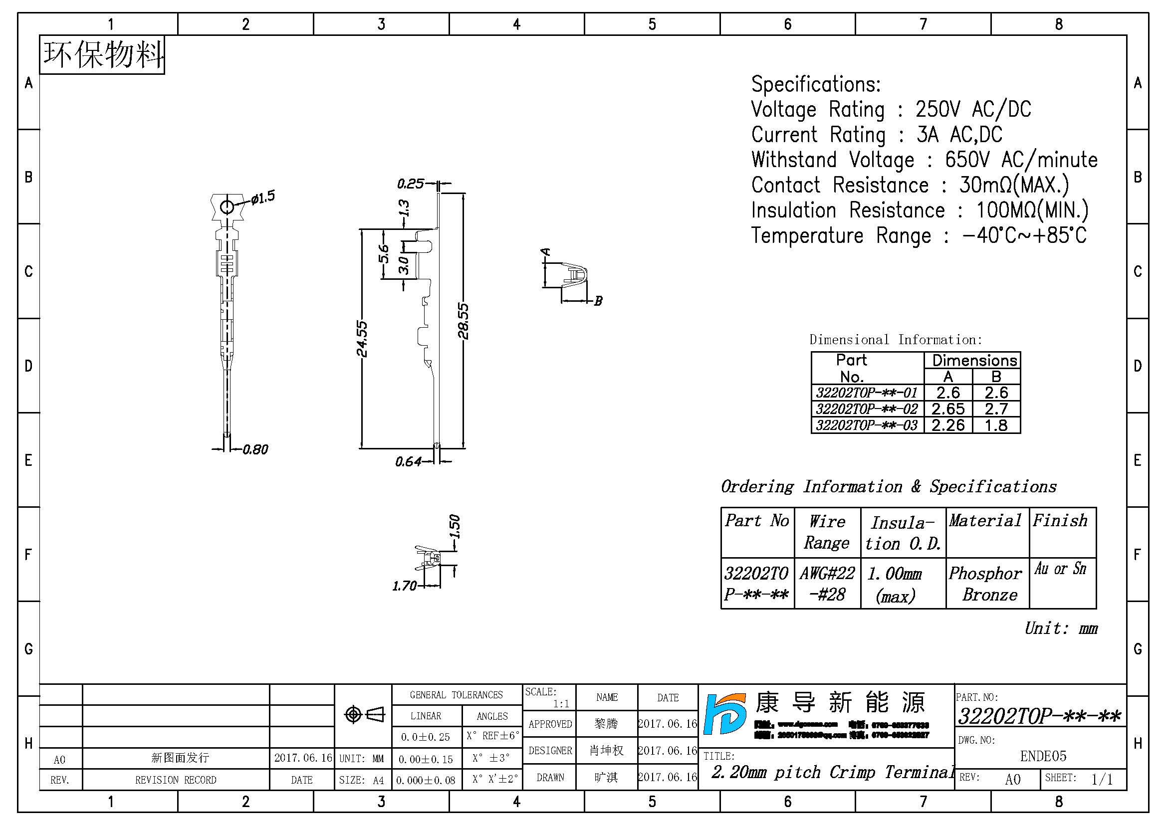
產品(pin)名稱:汽車端子
規格型號(hao):PH:2.20MM L:24.55MM AWG22#-AWG28# 線端公端子
產品間距:2.20MM
產(chan)品行(xing)距:2.20MM
電 路 數(shu):12P 16P 20P 24P 28P 32P 36P 40P
顏(yan) 色:灰(hui)色
塑膠(jiao)材料(liao):PA66
塑膠高度:34.80MM
端子長度:24.55MM
金屬(shu)材料:黃銅/高導銅
電鍍材(cai)料:鍍錫/鍍半金(jin)
運行溫(wen)度:-45°C to +105°C
接觸類(lei)型:壓接式
裝(zhuang)板方向:平行/垂直
裝線大小:AWG22#-AWG28#
最大(da)電流:3A
最(zui)大耐溫:240度
最大(da)耐壓:1000V
額(e)定電(dian)壓:250V