產品中心
聯系我們
聯 系 人:侯先生 銷售經理
聯系手機:18925816809
聯 系 QQ:2850175983
聯 系 人:陳先生 銷售經理
聯系手機:13428700967
聯 系(xi) QQ:2850175982
聯 系 人:李小姐 銷售跟單
聯系手機:18925816909
聯 系 QQ:2850175987
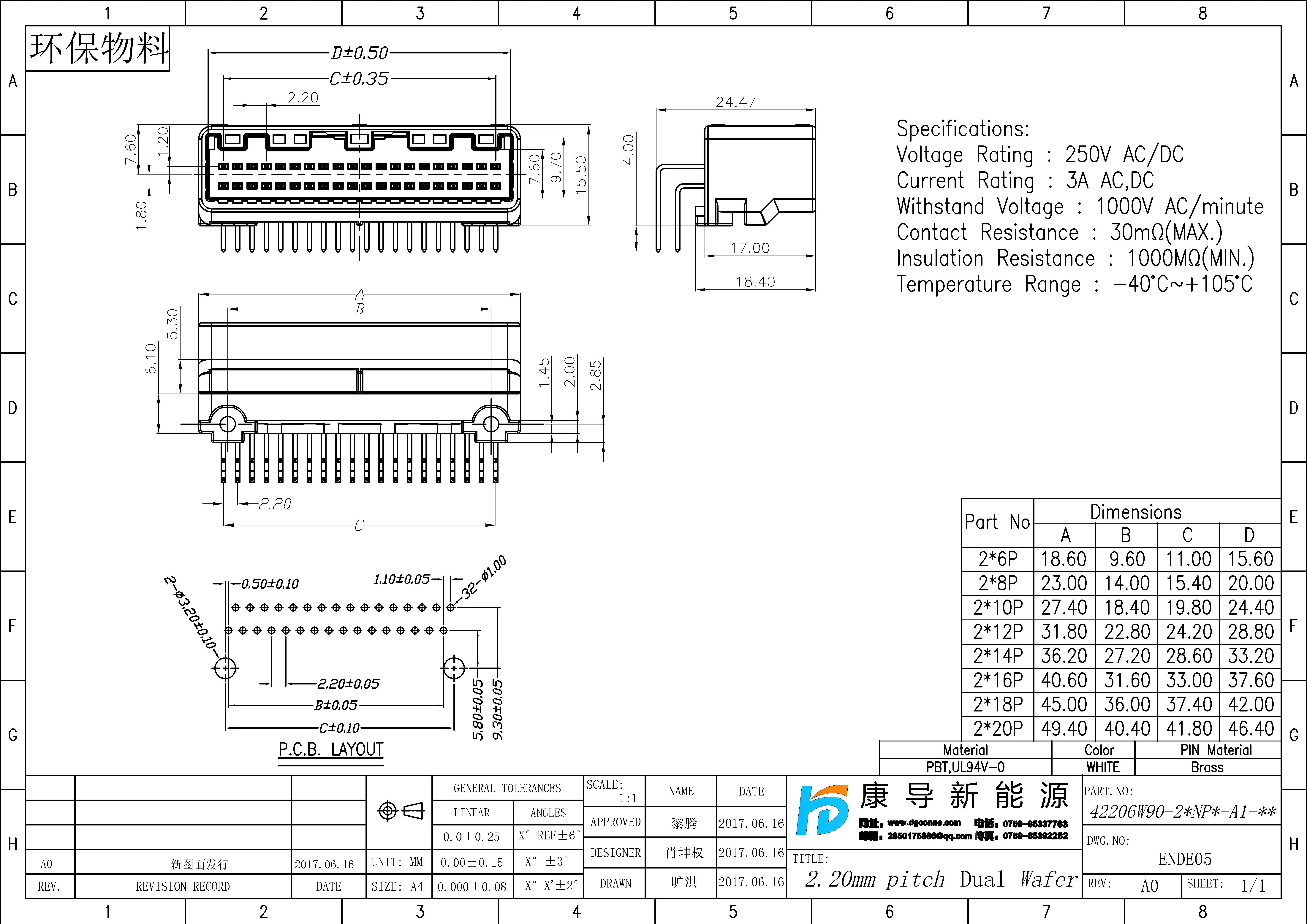
類(lei) 別:車載連接器
系 列:42206系列
應 用(yong):汽車(che)電(dian)子
產品名稱(cheng):汽車針座
規格(ge)型號:PH:2.20MM H:15.50MM 2*NP 90度
產品間距:2.20MM
產品行距:2.20MM
電 路 數:8P 12P 16P 20P 24P 28P 32P 36P 40P
顏 色(se):本色(se) 黑色(se)
塑膠材料(liao):PBT
塑膠高度(du):15.50MM
端子(zi)長度:19.50MM
金屬材料:黃銅/高導銅
電鍍(du)(du)材料(liao):鍍(du)(du)錫/鍍(du)(du)半金
運行溫度(du):-45°C to +105°C
接(jie)觸類(lei)型:焊接(jie)
裝板方(fang)向:平行
裝(zhuang)線大小:AWG22#-AWG28#
最大(da)電流:3.0A
最大耐溫(wen):220度(du)
最大耐壓(ya):1000V
額定(ding)電(dian)壓(ya):250V